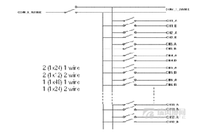
(VXI平台 )SMP2007,48 通道 500V 高压多路转换器模块
产品简介
SMP2007,48通道500V高压多路转换器模块最大开关电压:500VDC最大开关电流:1A最大开关功率:25WDC导通电阻:<1Ω隔离电阻:>1×107Ω带宽:>20MHz电气寿命:1×106(满负荷时)开关时间:<1mS 订货信息:SMP200748通道500V多路转换器模块
产品详情
400-618-1990
产品简介:

SMP2007,48 通道 500V 高压多路转换器模块

最大开关电压:500VDC

最大开关电流:1A

最大开关功率:25WDC

导通电阻:<1Ω

隔离电阻:>1×10 7Ω

带宽:>20MHz

电气寿命:1×10 6 (满负荷时)

开关时间:<1mS

 

订货信息:

SMP2007 48通道500V多路转换器模块